图1 写出图1所示各电路的时域伏安关系和频域伏安关系,其中右边的电路为左边电路的相量电路模型。

解:
(a)

(b)

(c)

图2 求图2所示电路的端口等效电感L。

解: 下图为此电路的去藕等效电路,故得

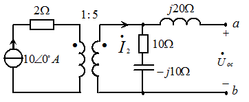
图3 所示的电路,求
及
电阻消耗的平均功率P。

解: 用直接法求解。该电路的KVL方程为

解之得: 

。 
解: 将原图按照下图(a)、(b)依次进行等效变换,可得

电阻获得最大功率,求变比n,并求最大功率。 
解: a、b端的输入电阻为
,故得等效电路如下图示:

根据最大功率传输定理,当
时功率最大,即
,且
图6 所示电路,已知
电阻吸收的功率为10W,求
电阻所吸收的功率
。

解: 
又
又
所以,
故

解: 用戴维南定理求解。
。 


。
(2)根据图(b)可求得端口的输入阻抗

(3)可画出等效电压源电路如图(c)所示。根据最大功率传输定理可知,当
时可获得最大功率,且
。